Звездочка 03-1, шаг 5х2,5 мм, Z=21 со ступицей
547 руб./шт
Уточните наличие и цену
Нашли дешевле?
Запрос цены
Наши менеджеры обязательно свяжутся с вами и уточнят условия заказа
Цена действительна при наличии товара на складе.
Минимальная сумма заказа - 1000 рублей.
Ответим на все интересующие вопросы и подберём оптимальный вариант info@euromehanika.ru
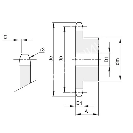
Описание
Звездочка является одним из элементов цепной передачи и служит для передачи вращения между параллельными валами, расположенными друг от друга на расстоянии. Изготавливаются из конструкционных марок сталей.Характеристики
|
Тип цепи
|
03-1 |
|
Шаг цепи
|
5х2,5 мм |
|
Количество рядов зубьев
|
Однорядная |
|
Число зубьев, шт
|
21 |
|
Посадка на вал
|
Под расточку |
|
Делительный диаметр, dp, мм
|
33,54 |
|
Наружный диаметр, de, мм
|
35,3 |
|
Диаметр ступицы, dm, мм
|
20 |
|
Диаметр отверстия, D1, мм
|
8 |
|
Размер ролика цепи, мм
|
3,2 |
|
Ширина зуба, B1, мм
|
2,3 |
|
Ширина звездочки, A, мм
|
13 |
|
r3,мм
|
5 |
|
Закалка зуба
|
Нет |
|
C, мм
|
0,4 |
|
Материал
|
Сталь C45 |
|
Производитель
|
BEA INGRANAGGI |
|
Вес, кг
|
0,04 |
Наличие
Новости
Все новости
6 апреля 2026
Нашли дешевле? Мы предложим максимально выгодную цену!
12 марта 2026
«Евромеханика» получила благодарственное письмо
6 марта 2026
Поздравляем с 8 Марта!




























