Модуль линейный (каретка) SCJ 20 UU (SC20AJ), EMT
634 руб./шт
Есть в наличии
Нашли дешевле?
-
+
В корзину
Купить в 1 клик
Цена действительна при наличии товара на складе.
Минимальная сумма заказа - 1000 рублей.
Ответим на все интересующие вопросы и подберём оптимальный вариант info@euromehanika.ru
3Д модель
Откройте сайт с мобильного телефона. На этом устройстве режим просмотра не поддерживается
Описание
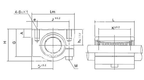
Регулируемый модуль линейный (каретка) закрытого типа SCJ (SCAJ) в алюминиевом корпусе, диаметром 20мм предназначен для высокоточного перемещения по цилиндрическим направляющим. Имеет винт, с помощью которого можно устранить люфт и выбрать оптимальную степень натяга.Характеристики
|
Тип
|
SCJ(SCAJ) |
|
Тип подшипника
|
LM20UUAJ |
|
Диаметр отверстия, d ,мм
|
20 |
|
D, мм
|
27 |
|
Исполнение отверстия
|
M6x12 |
|
H, мм
|
41 |
|
L, мм
|
50,0 |
|
G, мм
|
35 |
|
ho, мм
|
21 |
|
Lm, мм
|
54 |
|
e, мм
|
7,0 |
|
Тип болта, мм
|
М5 |
|
J, мм
|
40 |
|
K, мм
|
40 |
|
A, мм
|
11,0 |
|
Динамическая грузоподъемность, радиальная, Cr, Н
|
860 |
|
Статическая грузоподъемность, радиальная, C0r, Н
|
1370 |
|
Материал
|
Алюминий |
|
Производитель
|
EMT |
|
Вес, кг
|
0,237 |
Наличие
Новости
Все новости
6 апреля 2026
Нашли дешевле? Мы предложим максимально выгодную цену!
12 марта 2026
«Евромеханика» получила благодарственное письмо
6 марта 2026
Поздравляем с 8 Марта!




























