Втулка зажимная BK 26 45 x 55 (KLFC045), EMT
1 435 руб./шт
Есть в наличии
Нашли дешевле?
-
+
В корзину
Купить в 1 клик
Цена действительна при наличии товара на складе.
Минимальная сумма заказа - 1000 рублей.
Ответим на все интересующие вопросы и подберём оптимальный вариант info@euromehanika.ru
Описание
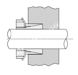
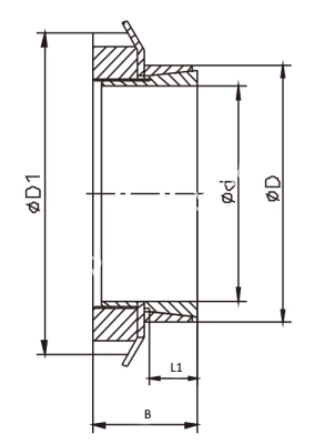
Втулка зажимная BK 26 45 x 55 (KLFC045), EMT применяется для монтажа звезд, шкивов, барабанов и других изделий на цилиндрический, бесшпоночный вал.Характеристики
|
Тип
|
BK 26 |
|
D1, мм
|
70 |
|
Момент затяжки, Nm
|
870 |
|
Размер, d x D, мм
|
45 x 55 |
|
Длина втулки L1, мм
|
10 |
|
Крутящий момент, Nm
|
617 |
|
Нагрузка, KN
|
27 |
|
Давление на поверхность вала, N/мм2
|
180 |
|
Давление на поверхность ступицы, N/мм2
|
147 |
|
Тип болта, мм
|
M50x1,5 |
|
B, мм
|
26 |
|
Материал
|
Сталь C45 |
|
Производитель
|
EMT |
|
Вес, кг
|
0,45 |
Наличие
Новости
Все новости
6 апреля 2026
Нашли дешевле? Мы предложим максимально выгодную цену!
12 марта 2026
«Евромеханика» получила благодарственное письмо
6 марта 2026
Поздравляем с 8 Марта!

































